RU附带安装孔型精密交叉滚子轴承
尺寸参数
产品介绍
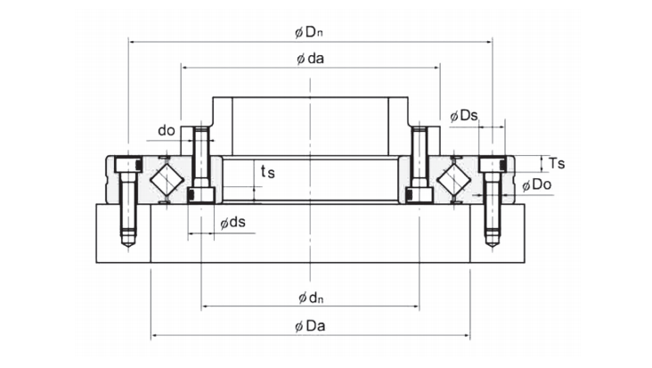
刚性型附带安装孔交叉滚子轴承的内外圈均为一体结构(非剖分),内外圈上设有安装孔,可以轻松安装到装置上。而且不易受轴承座或压板等周围结构的影响,可实现高刚性、高精度的导向功能。我们的技术部门会协助您进行选型及咨询,请联系:135 0379 0601(微信同号)。


RU附带安装孔型精密交叉滚子轴承型号尺寸参数表
|
轴径 mm |
公称型号 |
主要尺寸 mm |
安装尺寸mm |
基本额定载荷 (径向) |
质量 |
||||||
|
内径 d |
外径 D |
宽度 B |
rmin |
滚柱节圆直径 dp |
h
|
动C kN |
静kN |
kg |
|||
10 |
RU28 |
10 |
52 |
8 |
0.3 |
27.5 |
24 |
29.5 |
2.9 |
2.4 |
0.12 |
20 |
RU42 |
20 |
70 |
12 |
0.6 |
41.5 |
37 |
47 |
7.35 |
8.35 |
0.29 |
25 |
RU53 |
25 |
80 |
12 |
0.6 |
52.5 |
46.5 |
58.5 |
8.61 |
10.6 |
0.4 |
35 |
RU66 |
35 |
95 |
15 |
0.6 |
66 |
59 |
74 |
17.5 |
22.3 |
0.62 |
55 |
RU85 |
55 |
120 |
15 |
0.6 |
85 |
79 |
93 |
20.3 |
29.5 |
1 |
80 |
RU124(G) |
80 |
165 |
22 |
1 |
124 |
114 |
134 |
33.1 |
50.9 |
2.6 |
RU124X |
124 |
||||||||||
90 |
RU148(G) |
90 |
210 |
25 |
1.5 |
148 |
133 |
162 |
49.1 |
76.8 |
4.9 |
RU148X |
148 |
||||||||||
115 |
RU178(G) |
115 |
240 |
28 |
1.5 |
178 |
161 |
195 |
80.3 |
135 |
6.8 |
RU178X |
178 |
||||||||||
160 |
RU228(G) |
160 |
295 |
35 |
2 |
228 |
208 |
246 |
104 |
172 |
11.4 |
RU228X |
228 |
||||||||||
210 |
RU297(G) |
210 |
380 |
40 |
2.5 |
297 |
272 |
320 |
156 |
281 |
21.3 |
RU297X |
297 |
||||||||||
350 |
RU445(G) |
350 |
540 |
45 |
2.5 |
445 |
417 |
473 |
222 |
473 |
35.4 |
RU445X |
445 |
||||||||||
注:普瑞斯同时也提供带密封圈的RU…UU型。油嘴作为配件提供,外圈设有油槽并设有2个油孔,如需订购请在型号末尾标注-N。

安装尺寸表
安装孔尺寸mm |
公称型号 |
对应IKO型号 |
|||
内圈 |
外圈 |
||||
|
PCD1
|
安装孔 |
PCD2
|
安装孔 |
||
16 |
4-M3通孔 |
42 |
6-Φ3.4通孔,Φ6.5沉孔深3.3 |
RU28 |
CRBF108AT |
28 |
6-M3通孔 |
57 |
6-Φ3.4通孔,Φ6.5沉孔深3.3 |
RU42 |
CRBF2012AT |
35 |
6-M3通孔 |
67 |
6-Φ3.4通孔,Φ6.5沉孔深3.3 |
RU53 |
CRBF2512AT |
45 |
8-M4通孔 |
83 |
8-Φ4.5通孔,Φ8沉孔深4.4 |
RU66 |
CRBF3515AT |
65 |
8-M5通孔 |
105 |
8-Φ5.5通孔,Φ9.5沉孔深5.4 |
RU85 |
CRBF5515AT |
97 |
10-Φ5.5通孔,Φ9.5沉孔深5.4 |
148 |
10-Φ5.5通孔,Φ9.5沉孔深5.4 |
RU124(G) RU124X |
CRBF8022A |
10-M5通孔 |
CRBF8022AT |
||||
112 |
12-Φ9通孔,Φ14沉孔深8.6 |
187 |
12-Φ9通孔,Φ14沉孔深8.6 |
RU148(G) RU148X |
CRBF9025A |
12-M8通孔 |
CRBF9025AT |
||||
139 |
12-Φ9通孔,Φ14沉孔深8.6 |
217 |
12-Φ9通孔,Φ14沉孔深8.6 |
RU178(G) RU178X |
CRBF11528A |
12-M8通孔 |
CRBF11528AT |
||||
184 |
12-Φ11通孔,Φ17.5沉孔深10.8 |
270 |
12-Φ11通孔,Φ17.5沉孔深10.8 |
RU228(G) RU228X |
|
12-M10通孔 |
|||||
240 |
16-Φ14通孔,Φ20沉孔深13 |
350 |
16-Φ14通孔,Φ20沉孔深13 |
RU297(G) RU297X |
|
16-M12通孔 |
|||||
385 |
24-Φ14通孔,Φ20沉孔深13 |
505 |
24-Φ14通孔,Φ20沉孔深13 |
RU445(G) RU445X |
|
24-M12通孔 |
|||||
RU系列交叉滚子轴承由于已进行了安装孔的加工,就不需要固定法兰和支撑座。另外,由于采用带座的一体化内外圈结构,安装时对性能几乎没有影响,因此能够获得稳定的旋转精度和扭矩。适用于外圈和内圈旋转。
RU系列交叉滚子轴承有RU(开式)、RU...UU(双端面密封)、RUT、RUA和RUB等多种结构类型,同时普瑞斯也可根据客户的要求提供RU...(单端面密封)。

18568992278
