RAU薄壁交叉滚子轴承
尺寸参数
产品介绍
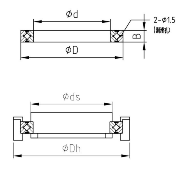
RAU系列交叉滚子轴承是一种超薄型、高精度紧凑结构轴承,主要针对需要轻量化、小型化和高精度旋转的场合设计。将内外圈厚度减小到8mm,滚子以90°垂直交叉排列在V形滚道上,通过隔离块分离,确保稳定运行。该系列轴承能同时承受径向载荷、轴向载荷及力矩载荷,具有整体内、外圈一体化结构,适用于内圈或外圈旋转的场景。我们的技术部门会协助您进行选型及咨询,请联系:135 0379 0601(微信同号)。

RAU系列薄型交叉滚子轴承型号参数
|
轴径 mm |
公称型号 |
主要尺寸 mm |
安装尺寸mm |
基本额定载荷(径向) |
质量 |
对应型号 |
||||||
|
内径 d |
外径 D |
宽度 B |
rmin |
滚柱节圆直径 dp |
ds |
Dh |
动C kN |
静 kN |
kg |
IKO |
||
50 |
RAU5008 |
50 |
66 |
8 |
0.5 |
57 |
53.5 |
60.5 |
5.1 |
7.19 |
0.08 |
CRBS508 |
60 |
RAU6008 |
60 |
76 |
8 |
0.5 |
67 |
63.5 |
70.5 |
5.68 |
8.68 |
0.09 |
CRBS608 |
70 |
RAU7008 |
70 |
86 |
8 |
0.5 |
77 |
73.5 |
80.5 |
5.98 |
9.8 |
0.1 |
CRBS708 |
80 |
RAU8008 |
80 |
96 |
8 |
0.5 |
87 |
83.5 |
90.5 |
6.37 |
11.3 |
0.11 |
CRBS808 |
90 |
RAU9008 |
90 |
106 |
8 |
0.5 |
97 |
93.5 |
100.5 |
6.76 |
12.4 |
0.12 |
CRBS908 |
100 |
RAU10008 |
100 |
116 |
8 |
0.5 |
107 |
103.5 |
110.5 |
7.15 |
13.9 |
0.14 |
CRBS1008 |
110 |
RAU11008 |
110 |
126 |
8 |
0.5 |
117 |
113.5 |
120.5 |
7.45 |
15 |
0.15 |
CRBS1108 |
120 |
RAU12008 |
120 |
136 |
8 |
0.5 |
127 |
123.5 |
130.5 |
7.84 |
16.5 |
0.17 |
CRBS1208 |
130 |
RAU13008 |
130 |
146 |
8 |
0.5 |
137 |
133.5 |
140.5 |
7.94 |
17.6 |
0.18 |
CRBS1308 |
140 |
RAU14008 |
140 |
156 |
8 |
0.5 |
147 |
143.5 |
150.5 |
8.33 |
19.1 |
0.19 |
CRBS1408 |
150 |
RAU15008 |
150 |
166 |
8 |
0.5 |
157 |
153.5 |
160.5 |
8.82 |
20.6 |
0.2 |
CRBS1508 |
160 |
RAU16013 |
160 |
186 |
13 |
0.8 |
172 |
165 |
179 |
23.3 |
44.9 |
0.59 |
CRBS1613 |
170 |
RAU17013 |
170 |
196 |
13 |
0.8 |
182 |
175 |
189 |
23.5 |
46.5 |
0.64 |
CRBS1713 |
180 |
RAU18013 |
180 |
206 |
13 |
0.8 |
192 |
185 |
199 |
24.5 |
49.8 |
0.68 |
CRBS1813 |
190 |
RAU19013 |
190 |
216 |
13 |
0.8 |
202 |
195 |
209 |
24.9 |
51.5 |
0.69 |
CRBS1913 |
200 |
RAU20013 |
200 |
226 |
13 |
0.8 |
212 |
205 |
219 |
25.8 |
54.7 |
0.71 |
CRBS2013 |

18568992278



