XSU附带安装孔型交叉滚子转盘轴承
尺寸参数
产品介绍
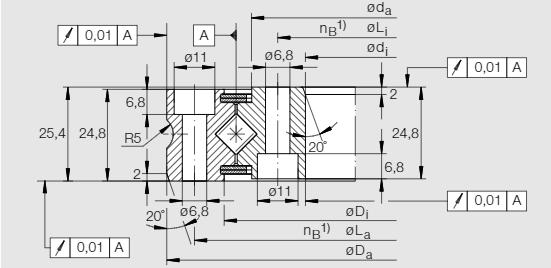
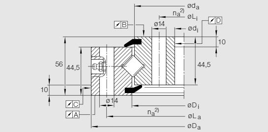
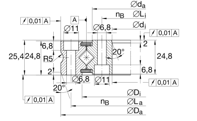
XSU附带安装孔型交叉滚子转盘轴承为无齿结构,内圈和外圈上加工有安装孔,安装孔可为沉孔、丝孔,外圈外径上可带有润滑油嘴,轴承两侧可装橡胶密封或双面弹性簧片钢制密封,该类型轴承有尺寸系列,XSU08系列内径尺寸范围为Φ130~Φ360mm、XSU14系列内径尺寸范围为Φ344~Φ1024mm。我们的技术部门会协助您进行选型及咨询,请联系:135 0379 0601(微信同号)。

XSU附带安装孔型交叉滚子转盘轴承型号参数表
|
轴径 mm |
公称型号 |
质量 kg |
主要尺寸 mm |
安装孔 |
基本额定载荷 |
转速
min-1 |
|||||||||
轴向 |
径向 |
||||||||||||||
|
外径 Da |
内径 di |
Di |
da |
La |
Li |
nB |
Fr kN |
Ca kN |
C0a kN |
Cr kN |
C0r kN |
||||
130 |
XSU080168 |
3.3 |
205 |
130 |
174 |
159 |
190 |
145 |
12 |
8.18 |
66 |
240 |
42 |
96 |
227 |
150 |
XSU080188 |
3.7 |
225 |
150 |
194 |
179 |
210 |
165 |
16 |
10.9 |
71 |
275 |
46 |
110 |
203 |
180 |
XSU080218 |
4.3 |
255 |
180 |
224 |
209 |
240 |
195 |
20 |
13.6 |
77 |
315 |
49 |
127 |
175 |
220 |
XSU080258 |
5.1 |
295 |
220 |
264 |
249 |
280 |
235 |
24 |
16.4 |
84 |
375 |
54 |
151 |
148 |
280 |
XSU080318 |
6.3 |
355 |
280 |
324 |
309 |
340 |
295 |
28 |
19.1 |
93 |
465 |
59 |
185 |
120 |
360 |
XSU080398 |
7.8 |
435 |
360 |
404 |
389 |
420 |
375 |
36 |
24.5 |
106 |
590 |
68 |
236 |
96 |

|
轴径 mm |
公称型号 |
质量 kg |
主要尺寸 mm |
安装孔 |
基本额定载荷 |
转速
min-1 |
||||||||||
轴向 |
径向 |
|||||||||||||||
|
外径 Da |
内径 di |
Di |
da |
La |
nB |
Li |
ni |
Fr kN |
Ca kN |
C0a kN |
Cr kN |
C0r kN |
||||
344 |
XSU140414 |
28 |
484 |
344 |
415 |
413 |
460 |
24 |
368 |
24 |
98.3 |
229 |
520 |
146 |
250 |
92 |
474 |
XSU140544 |
38 |
614 |
474 |
545 |
543 |
590 |
32 |
498 |
32 |
131 |
270 |
680 |
170 |
330 |
70 |
574 |
XSU140644 |
44 |
714 |
574 |
645 |
643 |
690 |
36 |
598 |
36 |
147 |
270 |
680 |
185 |
395 |
59 |
674 |
XSU140744 |
52 |
814 |
674 |
745 |
743 |
790 |
40 |
698 |
40 |
164 |
315 |
930 |
200 |
455 |
51 |
774 |
XSU140844 |
60 |
914 |
774 |
845 |
843 |
890 |
40 |
798 |
10 |
164 |
340 |
1050 |
215 |
510 |
45 |
874 |
XSU140944 |
67 |
1014 |
874 |
945 |
943 |
990 |
44 |
898 |
44 |
180 |
360 |
1170 |
227 |
580 |
40 |
1024 |
XSU141094 |
77 |
1164 |
1024 |
1095 |
1093 |
1140 |
48 |
1048 |
48 |
197 |
390 |
1360 |
246 |
670 |
35 |

18568992278

