深沟球等截面薄壁轴承(C型)
薄壁深沟球轴承介绍
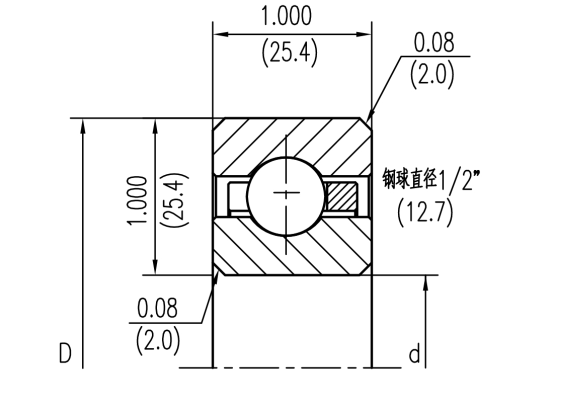
等截面薄壁径向深沟球轴承的设计是为了节省空间,降低整体重量的设计,大大减少摩擦,并提供的运行精度。对于薄壁等截面径向接触球轴承,可以在不牺牲轴承性能或使用寿命的情况下,缩减设...
尺寸参数
产品介绍
等截面薄壁深沟球轴承型号尺寸参数
| 等截面薄壁轴承(径向深沟球类型) | ||||||
|
◆KAA SERIES
| ||||||
| 型号 | 尺寸(mm) | 载荷(P) | 重量 | |||
| d | D | H | Cor | Cr | Kg | |
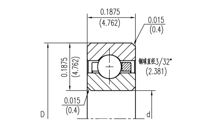
| KAA10CP0 | 25.4 | 34.925 | 4.762 | 1290 | 670 | 0.012 |
| KAA15CP0 | 38.1 | 47.625 | 4.762 | 1780 | 800 | 0.018 |
| KAA17CP0 | 44.45 | 53.975 | 4.762 | 2110 | 1770 | 0.02 |
|
◆KA SERIES
| ||||||
| 型号 | 尺寸(mm) | 载荷(P) | 重量 | |||
| d | D | H | Cor | Cr | Kg | |
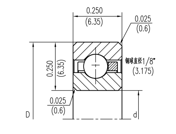
| KA020CP0 | 50.8 | 63.5 | 6.35 | 3020 | 1420 | 0.048 |
| KA025CP0 | 63.5 | 76.2 | 6.35 | 3690 | 1600 | 0.059 |
| KA030CP0 | 76.2 | 88.9 | 6.35 | 4400 | 1820 | 0.068 |
| KA035CP0 | 88.9 | 101.6 | 6.35 | 5070 | 2000 | 0.082 |
| KA040CP0 | 101.6 | 114.3 | 6.35 | 5730 | 2130 | 0.09 |
| KA042CP0 | 107.95 | 120.65 | 6.35 | 6090 | 2220 | 0.095 |
| KA045CP0 | 114.3 | 127 | 6.35 | 6400 | 2310 | 0.1 |
| KA047CP0 | 120.65 | 133.35 | 6.35 | 6760 | 2400 | 0.104 |
| KA050CP0 | 127 | 139.7 | 6.35 | 7070 | 2490 | 0.109 |
| KA055CP0 | 139.7 | 152.4 | 6.35 | 7780 | 2620 | 0.118 |
| KA060CP0 | 152.4 | 165.1 | 6.35 | 8450 | 2800 | 0.13 |
| KA065CP0 | 165.1 | 177.8 | 6.35 | 9110 | 2930 | 0.14 |
| KA070CP0 | 177.8 | 190.5 | 6.35 | 9780 | 3070 | 0.15 |
| KA075CP0 | 190.5 | 203.2 | 6.35 | 10450 | 3200 | 0.16 |
| KA080CP0 | 203.2 | 215.9 | 6.35 | 11110 | 3330 | 0.172 |
| KA090CP0 | 228.6 | 241.3 | 6.35 | 12490 | 3600 | 0.2 |
| KA100CP0 | 254 | 266.7 | 6.35 | 13820 | 3870 | 0.227 |
| KA110CP0 | 279.4 | 292.1 | 6.35 | 15160 | 4130 | 0.236 |
| KA120CP0 | 304.8 | 317.5 | 6.35 | 16540 | 4360 | 0.254 |
|
◆KB SERIES
| ||||||
| 型号 | 尺寸(mm) | 载荷(P) | 重量 | |||
| d | D | H | Cor | Cr | Kg | |
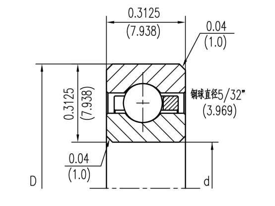
| KB020CP0 | 50.8 | 66.675 | 7.938 | 4130 | 2000 | 0.073 |
| KB025CP0 | 63.5 | 79.375 | 7.938 | 5070 | 2310 | 0.091 |
| KB030CP0 | 76.2 | 92.075 | 7.938 | 5960 | 2580 | 0.109 |
| KB035CP0 | 88.9 | 104.775 | 7.938 | 6850 | 2800 | 0.125 |
| KB040CP0 | 101.6 | 117.475 | 7.938 | 7780 | 3070 | 0.14 |
| KB042CP0 | 107.95 | 123.825 | 7.938 | 8130 | 3160 | 0.147 |
| KB045CP0 | 114.3 | 130.175 | 7.938 | 8670 | 3290 | 0.16 |
| KB047CP0 | 120.65 | 136.525 | 7.938 | 9020 | 3380 | 0.163 |
| KB050CP0 | 127 | 142.875 | 7.938 | 9560 | 3510 | 0.172 |
| KB055CP0 | 139.7 | 155.575 | 7.938 | 10490 | 3730 | 0.186 |
| KB060CP0 | 152.4 | 168.275 | 7.938 | 11380 | 3960 | 0.205 |
| KB065CP0 | 165.1 | 180.975 | 7.938 | 12270 | 4130 | 0.216 |
| KB070CP0 | 177.8 | 193.675 | 7.938 | 13200 | 4360 | 0.232 |
| KB075CP0 | 190.5 | 206.375 | 7.938 | 14090 | 4530 | 0.25 |
| KB080CP0 | 203.2 | 219.075 | 7.938 | 14980 | 4760 | 0.262 |
| KB090CP0 | 228.6 | 244.475 | 7.938 | 16800 | 5110 | 0.3 |
| KB100CP0 | 254 | 269.875 | 7.938 | 18620 | 5470 | 0.331 |
| KB110CP0 | 279.4 | 295.275 | 7.938 | 20400 | 5820 | 0.36 |
| KB120CP0 | 304.8 | 320.675 | 7.938 | 22230 | 6180 | 0.39 |
| KB140CP0 | 355.6 | 371.475 | 7.938 | 25830 | 6800 | 0.476 |
| KB160CP0 | 406.4 | 422.275 | 7.938 | 29430 | 7420 | 0.544 |
| KB180CP0 | 457.2 | 473.075 | 7.938 | 33070 | 8050 | 0.612 |
| KB200CP0 | 508 | 523.875 | 7.938 | 36670 | 8620 | 0.68 |
|
◆KC SERIES
| ||||||
| 型号 | 尺寸(mm) | 载荷(P) | 重量 | |||
| d | D | H | Cor | Cr | Kg | |
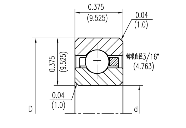
| KC040CP0 | 101.6 | 120.65 | 9.525 | 9330 | 3910 | 0.204 |
| KC042CP0 | 107.95 | 127 | 9.525 | 9780 | 4090 | 0.213 |
| KC045CP0 | 114.3 | 133.35 | 9.525 | 10400 | 4220 | 0.225 |
| KC047CP0 | 120.65 | 139.7 | 9.525 | 10930 | 4360 | 0.235 |
| KC050CP0 | 127 | 146.05 | 9.525 | 11510 | 4490 | 0.263 |
| KC055CP0 | 139.7 | 158.75 | 9.525 | 12580 | 4800 | 0.268 |
| KC060CP0 | 152.4 | 171.45 | 9.525 | 13650 | 5070 | 0.295 |
| KC065CP0 | 165.1 | 184.15 | 9.525 | 14710 | 5330 | 0.312 |
| KC070CP0 | 177.8 | 196.85 | 9.525 | 15780 | 5560 | 0.34 |
| KC075CP0 | 190.5 | 209.55 | 9.525 | 16850 | 5820 | 0.36 |
| KC080CP0 | 203.2 | 222.25 | 9.525 | 17910 | 6050 | 0.387 |
| KC090CP0 | 228.6 | 247.65 | 9.525 | 20050 | 6530 | 0.45 |
| KC100CP0 | 254 | 273.05 | 9.525 | 22180 | 6980 | 0.481 |
| KC110CP0 | 279.4 | 298.45 | 9.525 | 24310 | 7420 | 0.526 |
| KC120CP0 | 304.8 | 323.85 | 9.525 | 26450 | 7870 | 0.567 |
| KC140CP0 | 355.6 | 374.65 | 9.525 | 30720 | 8670 | 0.689 |
| KC160CP0 | 406.4 | 425.45 | 9.525 | 35030 | 9470 | 0.785 |
| KC180CP0 | 457.2 | 476.25 | 9.525 | 39290 | 10220 | 0.88 |
| KC200CP0 | 508 | 527.05 | 9.525 | 43560 | 10980 | 0.98 |
|
◆KD SERIES
| ||||||
| 型号 | 尺寸(mm) | 载荷(P) | 重量 | |||
| d | D | H | Cor | Cr | Kg | |
| KD040CP0 | 101.6 | 127 | 12.7 | 13690 | 6270 | 0.366 |
| KD042CP0 | 107.95 | 133.35 | 12.7 | 14180 | 6400 | 0.386 |
| KD045CP0 | 114.3 | 139.7 | 12.7 | 15200 | 6710 | 0.405 |
| KD047CP0 | 120.65 | 146.05 | 12.7 | 15690 | 6850 | 0.426 |
| KD050CP0 | 127 | 152.4 | 12.7 | 16710 | 7160 | 0.454 |
| KD055CP0 | 139.7 | 165.1 | 12.7 | 18230 | 7560 | 0.485 |
| KD060CP0 | 152.4 | 177.8 | 12.7 | 19780 | 8000 | 0.526 |
| KD065CP0 | 165.1 | 190.5 | 12.7 | 21290 | 8400 | 0.566 |
| KD070CP0 | 177.8 | 203.2 | 12.7 | 22800 | 8800 | 0.606 |
| KD075CP0 | 190.5 | 215.9 | 12.7 | 24310 | 9160 | 0.65 |
| KD080CP0 | 203.2 | 228.6 | 12.7 | 25830 | 9560 | 0.694 |
| KD090CP0 | 228.6 | 254 | 12.7 | 28890 | 10310 | 0.78 |
| KD100CP0 | 254 | 279.4 | 12.7 | 31920 | 10980 | 0.853 |
| KD110CP0 | 279.4 | 304.8 | 12.7 | 34980 | 11690 | 0.934 |
| KD120CP0 | 304.8 | 330.2 | 12.7 | 38010 | 12360 | 1.02 |
| KD140CP0 | 355.6 | 381 | 12.7 | 44090 | 13650 | 1.24 |
| KD160CP0 | 406.4 | 431.8 | 12.7 | 50180 | 14890 | 1.41 |
| KD180CP0 | 457.2 | 482.6 | 12.7 | 56230 | 16050 | 1.58 |
| KD200CP0 | 508 | 533.4 | 12.7 | 62320 | 17200 | 1.75 |
|
◆KF SERIES
| ||||||
| 型号 | 尺寸(mm) | 载荷(P) | 重量 | |||
| d | D | H | Cor | Cr | Kg | |
| KF040CP0 | 101.6 | 139.7 | 19.05 | 23830 | 12130 | 0.875 |
| KF042CP0 | 107.95 | 146.05 | 19.05 | 25070 | 12580 | 0.93 |
| KF045CP0 | 114.3 | 152.4 | 19.05 | 26360 | 12980 | 0.975 |
| KF047CP0 | 120.65 | 158.75 | 19.05 | 27600 | 13380 | 1.04 |
| KF050CP0 | 127 | 165.1 | 19.05 | 28850 | 13780 | 1.09 |
| KF055CP0 | 139.7 | 177.8 | 19.05 | 31340 | 14580 | 1.18 |
| KF060CP0 | 152.4 | 190.5 | 19.05 | 33870 | 15340 | 1.24 |
| KF065CP0 | 165.1 | 203.2 | 19.05 | 36360 | 16090 | 1.35 |
| KF070CP0 | 177.8 | 215.9 | 19.05 | 38890 | 16850 | 1.45 |
| KF075CP0 | 190.5 | 228.6 | 19.05 | 41380 | 17560 | 1.56 |
| KF080CP0 | 203.2 | 241.3 | 19.05 | 43920 | 18230 | 1.66 |
| KF090CP0 | 228.6 | 266.7 | 19.05 | 48900 | 19600 | 1.81 |
| KF100CP0 | 254 | 292.1 | 19.05 | 53920 | 20940 | 2.02 |
| KF110CP0 | 279.4 | 317.5 | 19.05 | 58940 | 22230 | 2.18 |
| KF120CP0 | 304.8 | 342.9 | 19.05 | 63960 | 23470 | 2.38 |
| KF140CP0 | 355.6 | 393.7 | 19.05 | 74010 | 25830 | 2.72 |
| KF160CP0 | 406.4 | 444.5 | 19.05 | 84010 | 28140 | 3.22 |
| KF180CP0 | 457.2 | 495.3 | 19.05 | 94060 | 30320 | 3.58 |
| KF200CP0 | 508 | 546.1 | 19.05 | 104100 | 32450 | 4.04 |
|
◆KG SERIES
| ||||||
| 型号 | 尺寸(mm) | 载荷(P) | 重量 | |||
| d | D | H | Cor | Cr | Kg | |
| KG040CP0 | 101.6 | 152.4 | 25.4 | 36490 | 20000 | 1.65 |
| KG042CP0 | 107.95 | 158.75 | 25.4 | 36490 | 20000 | 1.75 |
| KG045CP0 | 114.3 | 165.1 | 25.4 | 38940 | 20900 | 1.81 |
| KG047CP0 | 120.65 | 171.45 | 25.4 | 41340 | 21740 | 1.91 |
| KG050CP0 | 127 | 177.8 | 25.4 | 43780 | 22580 | 2.02 |
| KG055CP0 | 139.7 | 190.5 | 25.4 | 46230 | 23430 | 2.17 |
| KG060CP0 | 152.4 | 203.2 | 25.4 | 51070 | 25030 | 2.31 |
| KG065CP0 | 165.1 | 215.9 | 25.4 | 53520 | 25830 | 2.47 |
| KG070CP0 | 177.8 | 228.6 | 25.4 | 58360 | 27380 | 2.67 |
| KG075CP0 | 190.5 | 241.3 | 25.4 | 60810 | 28140 | 2.83 |
| KG080CP0 | 203.2 | 254 | 25.4 | 65650 | 29600 | 3 |
| KG090CP0 | 228.6 | 279.4 | 25.4 | 72990 | 31780 | 3.3 |
| KG100CP0 | 254 | 304.8 | 25.4 | 80280 | 33870 | 3.65 |
| KG110CP0 | 279.4 | 330.2 | 25.4 | 87570 | 35870 | 3.96 |
| KG120CP0 | 304.8 | 355.6 | 25.4 | 94860 | 37830 | 4.32 |
| KG140CP0 | 355.6 | 406.4 | 25.4 | 109440 | 41600 | 4.96 |
| KG160CP0 | 406.4 | 457.2 | 25.4 | 124060 | 45250 | 5.65 |
| KG180CP0 | 457.2 | 508 | 25.4 | 138640 | 48720 | 6.28 |
| KG200CP0 | 508 | 558.8 | 25.4 | 153220 | 52100 | 7.53 |
| KG250CP0 | 635 | 685.8 | 25.4 | 174000 | 71000 | 8.85 |

18568992278






