公制四点接触球薄壁轴承(X型)
尺寸参数
产品介绍
公制四点接触球薄壁轴承型号参数(X型)

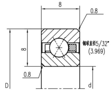
8mm系列 | |||||||||
型号 |
尺寸(mm) |
径向载荷(N) |
轴向载荷(N) |
重量 |
对应型号 |
||||
内径 |
外径 |
宽度 |
静载荷 |
动载荷 |
静载荷 |
动载荷 |
Kg |
Kaydon |
|
P02508X |
25 |
41 |
8 |
334 |
331 |
758 |
469 |
0.06 |
K02508X |
P05008X |
50 |
66 |
8 |
555 |
460 |
1389 |
666 |
0.08 |
K05008X |
P06008X |
60 |
76 |
8 |
656 |
506 |
1641 |
745 |
0.09 |
K06008X |
P07008X |
70 |
86 |
8 |
757 |
549 |
1894 |
819 |
0.1 |
K07008X |
P08008X |
80 |
96 |
8 |
859 |
591 |
2146 |
890 |
0.11 |
K08008X |
P09008X |
90 |
106 |
8 |
959 |
631 |
2399 |
959 |
0.13 |
K09008X |
P10008X |
100 |
116 |
8 |
1060 |
670 |
2651 |
1025 |
0.14 |
K10008X |
P11008X |
110 |
126 |
8 |
1162 |
707 |
2903 |
1090 |
0.15 |
K11008X |
P12008X |
120 |
136 |
8 |
1262 |
743 |
3156 |
1152 |
0.16 |
K12008X |
P13008X |
130 |
146 |
8 |
1363 |
778 |
3409 |
1212 |
0.18 |
K13008X |
P14008X |
140 |
156 |
8 |
1465 |
812 |
3661 |
1271 |
0.19 |
K14008X |
P15008X |
150 |
166 |
8 |
1565 |
846 |
3914 |
1329 |
0.2 |
K15008X |
P16008X |
160 |
176 |
8 |
1666 |
878 |
4166 |
1386 |
0.2 |
K16008X |
P17008X |
170 |
186 |
8 |
1767 |
910 |
4418 |
1441 |
0.2 |
K17008X |
P18008X |
180 |
196 |
8 |
1868 |
941 |
4671 |
1495 |
0.21 |
K18008X |
P19008X |
190 |
206 |
8 |
1944 |
963 |
4860 |
1536 |
0.21 |
K19008X |
P20008X |
200 |
216 |
8 |
2045 |
992 |
5113 |
1588 |
0.22 |
K20008X |
P25008X |
250 |
266 |
8 |
2550 |
1133 |
6375 |
1840 |
0.28 |
K25008X |
P30008X |
300 |
316 |
8 |
3055 |
1261 |
7638 |
2076 |
0.35 |
K30008X |
P32008X |
320 |
336 |
8 |
3257 |
1310 |
8143 |
2166 |
0.39 |
K32008X |
P34008X |
340 |
356 |
8 |
3459 |
1350 |
8648 |
2255 |
0.42 |
K34008X |
P36008X |
360 |
376 |
8 |
3636 |
1396 |
9089 |
2330 |
0.46 |
K36008X |

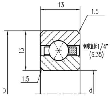
13mm系列 | |||||||||
型号 |
尺寸(mm) |
径向载荷(N) |
轴向载荷(N) |
重量 |
对应型号 |
||||
内径 |
外径 |
宽度 |
静载荷 |
动载荷 |
静载荷 |
动载荷 |
Kg |
Kaydon |
|
P02513X |
25 |
51 |
13 |
696 |
689 |
1293 |
869 |
0.13 |
K02513X |
P05013X |
50 |
76 |
13 |
919 |
910 |
2263 |
1226 |
0.2 |
K05013X |
P06013X |
60 |
86 |
13 |
1099 |
1014 |
2747 |
1236 |
0.23 |
K06013X |
P07013X |
70 |
96 |
13 |
1228 |
1074 |
3070 |
1547 |
0.26 |
K07013X |
P08013X |
80 |
106 |
13 |
1358 |
1133 |
3393 |
1653 |
0.28 |
K08013X |
P09013X |
90 |
116 |
13 |
1551 |
1224 |
3878 |
1808 |
0.31 |
K09013X |
P10013X |
100 |
126 |
13 |
1681 |
1279 |
4201 |
1906 |
0.34 |
K10013X |
P11013X |
110 |
136 |
13 |
1875 |
1364 |
4686 |
2050 |
0.37 |
K11013X |
P12013X |
120 |
146 |
13 |
2006 |
1415 |
5010 |
2144 |
0.4 |
K12013X |
P13013X |
130 |
156 |
13 |
2133 |
1466 |
5333 |
2235 |
0.43 |
K13013X |
P14013X |
140 |
166 |
13 |
2327 |
1544 |
5817 |
2368 |
0.46 |
K14013X |
P15013X |
150 |
176 |
13 |
2456 |
1592 |
6141 |
2455 |
0.48 |
K15013X |
P16013X |
160 |
186 |
13 |
2586 |
1639 |
6464 |
2541 |
0.51 |
K16013X |
P17013X |
170 |
196 |
13 |
2780 |
1711 |
6949 |
2666 |
0.54 |
K17013X |
P18013X |
180 |
206 |
13 |
2909 |
1756 |
7272 |
2748 |
0.57 |
K18013X |
P19013X |
190 |
216 |
13 |
3038 |
1800 |
7595 |
2829 |
0.6 |
K19013X |
P20013X |
200 |
226 |
13 |
3232 |
1868 |
8080 |
2948 |
0.63 |
K20013X |
P25013X |
250 |
276 |
13 |
4008 |
2119 |
10019 |
3403 |
0.77 |
K25013X |
P30013X |
300 |
326 |
13 |
4719 |
2327 |
11796 |
3794 |
0.91 |
K30013X |
P32013X |
320 |
346 |
13 |
5042 |
2419 |
12605 |
3966 |
0.97 |
K32013X |
P34013X |
340 |
366 |
13 |
5365 |
2508 |
13412 |
4133 |
1.02 |
K34013X |
P36013X |
360 |
386 |
13 |
5688 |
2594 |
14220 |
4298 |
1.08 |
K36013X |

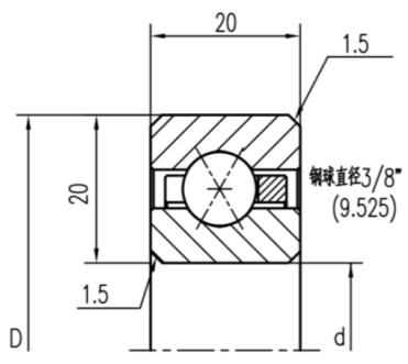
20mm系列 | |||||||||
型号 |
尺寸(mm) |
径向载荷(N) |
轴向载荷(N) |
重量 |
对应型号 |
||||
内径 |
外径 |
宽度 |
静载荷 |
动载荷 |
静载荷 |
动载荷 |
Kg |
Kaydon |
|
P02520X |
25 |
65 |
20 |
1518 |
1503 |
2545 |
1789 |
0.34 |
K02520X |
P05020X |
50 |
90 |
20 |
1845 |
1827 |
3999 |
2418 |
0.52 |
K05020X |
P06020X |
60 |
100 |
20 |
1906 |
1887 |
4363 |
2562 |
0.59 |
K06020X |
P07020X |
70 |
110 |
20 |
2071 |
2050 |
5090 |
2839 |
0.66 |
K07020X |
P08020X |
80 |
120 |
20 |
2181 |
2111 |
5454 |
2973 |
0.73 |
K08020X |
P09020X |
90 |
130 |
20 |
2473 |
2263 |
6181 |
3231 |
0.8 |
K09020X |
P10020X |
100 |
140 |
20 |
2618 |
2323 |
6545 |
3357 |
0.87 |
K10020X |
P11020X |
110 |
150 |
20 |
2909 |
2466 |
7272 |
3601 |
0.94 |
K11020X |
P12020X |
120 |
160 |
20 |
3200 |
2603 |
7999 |
3837 |
1.01 |
K12020X |
P13020X |
130 |
170 |
20 |
3345 |
2600 |
8363 |
3953 |
1.07 |
K13020X |
P14020X |
140 |
180 |
20 |
3636 |
2791 |
9090 |
4179 |
1.15 |
K14020X |
P15020X |
150 |
190 |
20 |
3781 |
2845 |
9453 |
4290 |
1.22 |
K15020X |
P16020X |
160 |
200 |
20 |
4072 |
2970 |
10180 |
4507 |
1.3 |
K16020X |
P17020X |
170 |
210 |
20 |
4363 |
3023 |
10907 |
4719 |
1.37 |
K17020X |
P18020X |
180 |
220 |
20 |
4508 |
3143 |
11271 |
4823 |
1.44 |
K18020X |
P19020X |
190 |
230 |
20 |
4800 |
3260 |
11999 |
5029 |
1.51 |
K19020X |
P20020X |
200 |
240 |
20 |
4945 |
3309 |
12362 |
5130 |
1.57 |
K20020X |
P25020X |
250 |
290 |
20 |
6108 |
3731 |
15271 |
5906 |
2.1 |
K25020X |
P30020X |
300 |
340 |
20 |
7272 |
4119 |
18179 |
6633 |
2.3 |
K30020X |
P32020X |
320 |
360 |
20 |
7708 |
4255 |
19270 |
6897 |
2.44 |
K32020X |
P34020X |
340 |
380 |
20 |
8144 |
4388 |
20361 |
7154 |
2.58 |
K34020X |
P36020X |
360 |
400 |
20 |
8581 |
4588 |
21452 |
7408 |
2.73 |
K36020X |

18568992278