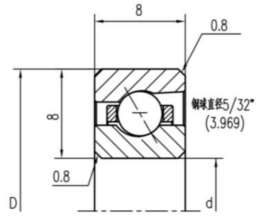
公制角接触球薄壁轴承(A型)
尺寸参数
产品介绍
公制角接触球薄壁轴承(A型)

8mm系列 | |||||||||
型号 |
尺寸(mm) |
径向载荷(N) |
轴向载荷(N) |
重量 |
对应型号 |
||||
内径 |
外径 |
宽度 |
静载荷 |
动载荷 |
静载荷 |
动载荷 |
Kg |
Kaydon |
|
PK02508A |
25 |
41 |
8 |
372 |
272 |
1073 |
561 |
0.06 |
K02508A |
PK05008A |
50 |
66 |
8 |
656 |
367 |
1894 |
819 |
0.08 |
K05008A |
PK06008A |
60 |
76 |
8 |
787 |
408 |
2273 |
925 |
0.09 |
K06008A |
PK07008A |
70 |
86 |
8 |
896 |
440 |
2588 |
1099 |
0.1 |
K07008A |
PK08008A |
80 |
96 |
8 |
1006 |
470 |
2903 |
1090 |
0.12 |
K08008A |
PK09008A |
90 |
106 |
8 |
1137 |
505 |
3282 |
1182 |
0.13 |
K09008A |
PK10008A |
100 |
116 |
8 |
1246 |
533 |
3598 |
1257 |
0.14 |
K10008A |
PK11008A |
110 |
126 |
8 |
1356 |
561 |
3914 |
1329 |
0.15 |
K11008A |
PK12008A |
120 |
136 |
8 |
1465 |
587 |
4229 |
1400 |
0.16 |
K12008A |
PK13008A |
130 |
146 |
8 |
1596 |
618 |
4608 |
1482 |
0.17 |
K13008A |
PK14008A |
140 |
156 |
8 |
1706 |
643 |
4923 |
1549 |
0.19 |
K14008A |
PK15008A |
150 |
166 |
8 |
1815 |
667 |
5239 |
1615 |
0.19 |
K15008A |
PK16008A |
160 |
176 |
8 |
1946 |
696 |
5618 |
1691 |
0.2 |
K16008A |
PK17008A |
170 |
186 |
8 |
2055 |
720 |
5933 |
1754 |
0.21 |
K17008A |
PK18008A |
180 |
196 |
8 |
2165 |
742 |
6249 |
1816 |
0.22 |
K18008A |
PK19008A |
190 |
206 |
8 |
2296 |
769 |
6628 |
1889 |
0.23 |
K19008A |
PK20008A |
200 |
216 |
8 |
2405 |
791 |
6944 |
1948 |
0.23 |
K20008A |
PK25008A |
250 |
266 |
8 |
2974 |
897 |
8585 |
2244 |
0.28 |
K25008A |
PK30008A |
300 |
316 |
8 |
3564 |
999 |
10289 |
2532 |
0.33 |
K30008A |
PK32008A |
320 |
336 |
8 |
3805 |
1039 |
10983 |
2645 |
0.36 |
K32008A |
PK34008A |
340 |
356 |
8 |
4023 |
1073 |
11614 |
2745 |
0.38 |
K34008A |
PK36008A |
360 |
376 |
8 |
4264 |
1110 |
12309 |
2854 |
0.4 |
K36008A |

13mm系列 | |||||||||
型号 |
尺寸(mm) |
径向载荷(N) |
轴向载荷(N) |
重量 |
对应型号 |
||||
内径 |
外径 |
宽度 |
静载荷 |
动载荷 |
静载荷 |
动载荷 |
Kg |
Kaydon |
|
PK02513A |
25 |
51 |
13 |
616 |
554 |
1778 |
1075 |
0.13 |
K02513A |
PK05013A |
50 |
76 |
13 |
1064 |
725 |
3070 |
1547 |
0.2 |
K05013A |
PK06013A |
60 |
86 |
13 |
1232 |
782 |
3555 |
1706 |
0.22 |
K06013A |
PK07013A |
70 |
96 |
13 |
1456 |
860 |
4201 |
1906 |
0.25 |
K07013A |
PK08013A |
80 |
106 |
13 |
1623 |
913 |
4686 |
2050 |
0.28 |
K08013A |
PK09013A |
90 |
116 |
13 |
1791 |
964 |
5171 |
2190 |
0.31 |
K09013A |
PK10013A |
100 |
126 |
13 |
1959 |
1013 |
5656 |
2324 |
0.34 |
K10013A |
PK11013A |
110 |
136 |
13 |
2127 |
1061 |
6141 |
2455 |
0.37 |
K11013A |
PK12013A |
120 |
146 |
13 |
2295 |
1108 |
6625 |
2583 |
0.39 |
K12013A |
PK13013A |
130 |
156 |
13 |
2519 |
1171 |
7272 |
2748 |
0.42 |
K13013A |
PK14013A |
140 |
166 |
13 |
2687 |
1215 |
7757 |
2869 |
0.45 |
K14013A |
PK15013A |
150 |
176 |
13 |
2855 |
1258 |
8241 |
2987 |
0.48 |
K15013A |
PK16013A |
160 |
186 |
13 |
3023 |
1301 |
8726 |
3104 |
0.51 |
K16013A |
PK17013A |
170 |
196 |
13 |
3191 |
1342 |
9211 |
3217 |
0.54 |
K17013A |
PK18013A |
180 |
206 |
13 |
3359 |
1382 |
9696 |
3329 |
0.56 |
K18013A |
PK19013A |
190 |
216 |
13 |
3527 |
1422 |
10181 |
3439 |
0.59 |
K19013A |
PK20013A |
200 |
226 |
13 |
3750 |
1476 |
10827 |
3583 |
0.62 |
K20013A |
PK25013A |
250 |
276 |
13 |
4590 |
1659 |
13251 |
4100 |
0.76 |
K25013A |
PK30013A |
300 |
326 |
13 |
5486 |
1840 |
15837 |
4618 |
0.9 |
K30013A |
PK32013A |
320 |
346 |
13 |
5822 |
1904 |
16806 |
4804 |
0.96 |
K32013A |
PK34013A |
340 |
366 |
13 |
6213 |
1978 |
17937 |
5017 |
1.02 |
K34013A |
PK36013A |
360 |
386 |
13 |
6550 |
2038 |
18907 |
5196 |
1.07 |
K36013A |

20mm系列 | |||||||||
型号 |
尺寸(mm) |
径向载荷(N) |
轴向载荷(N) |
重量 |
对应型号 |
||||
内径 |
外径 |
宽度 |
静载荷 |
动载荷 |
静载荷 |
动载荷 |
Kg |
Kaydon |
|
PK02520A |
25 |
65 |
20 |
1134 |
1155 |
3272 |
2115 |
0.31 |
K02520A |
PK05020A |
50 |
90 |
20 |
1889 |
1460 |
5454 |
2973 |
0.49 |
K05020A |
PK06020A |
60 |
100 |
20 |
2141 |
1547 |
6181 |
3231 |
0.56 |
K06020A |
PK07020A |
70 |
110 |
20 |
2393 |
1633 |
6908 |
3480 |
0.62 |
K07020A |
PK08020A |
80 |
120 |
20 |
2645 |
1717 |
7635 |
3720 |
0.69 |
K08020A |
PK09020A |
90 |
130 |
20 |
3023 |
1851 |
8726 |
4067 |
0.77 |
K09020A |
PK10020A |
100 |
140 |
20 |
3275 |
1929 |
9453 |
4290 |
0.84 |
K10020A |
PK11020A |
110 |
150 |
20 |
3527 |
2005 |
10181 |
4507 |
0.91 |
K11020A |
PK12020A |
120 |
160 |
20 |
3778 |
2080 |
10908 |
4719 |
0.97 |
K12020A |
PK13020A |
130 |
170 |
20 |
4030 |
2154 |
11635 |
4927 |
1.04 |
K13020A |
PK14020A |
140 |
180 |
20 |
4282 |
2226 |
12362 |
5130 |
1.11 |
K14020A |
PK15020A |
150 |
190 |
20 |
4660 |
2339 |
13453 |
5427 |
1.19 |
K15020A |
PK16020A |
160 |
200 |
20 |
4912 |
2407 |
14180 |
5621 |
1.26 |
K16020A |
PK17020A |
170 |
210 |
20 |
5146 |
2474 |
14907 |
5811 |
1.32 |
K17020A |
PK18020A |
180 |
220 |
20 |
5416 |
2540 |
15634 |
5999 |
1.39 |
K18020A |
PK19020A |
190 |
230 |
20 |
5668 |
2605 |
16361 |
6183 |
1.46 |
K19020A |
PK20020A |
200 |
240 |
20 |
6045 |
2706 |
17452 |
6455 |
1.54 |
K20020A |
PK25020A |
250 |
290 |
20 |
7431 |
3041 |
21452 |
7408 |
1.89 |
K25020A |
PK30020A |
300 |
340 |
20 |
8691 |
3317 |
25088 |
8222 |
2.23 |
K30020A |
PK32020A |
320 |
360 |
20 |
9321 |
3454 |
26906 |
8615 |
2.37 |
K32020A |
PK34020A |
340 |
380 |
20 |
9824 |
3556 |
28360 |
8923 |
2.51 |
K34020A |
PK36020A |
360 |
400 |
20 |
10454 |
3685 |
30178 |
9300 |
2.66 |
K36020A |

18568992278