首页
关于我们
产品中心
资质荣誉
应用领域
相关动态
在线留言
联系我们
导航
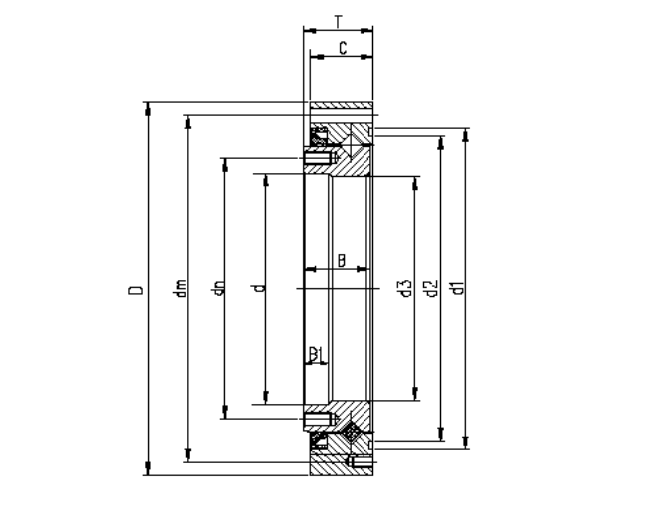
SHF(SHG)系列的谐波减速机输出的刚性交叉滚子轴承。谐波减速机轴承为交叉圆柱滚子结构,根基去使用场合分为外圈分体、内圈整体和内外圈均是整体两大类。滚动体为圆柱滚子,互成90°垂直排列在V型滚道中。这种结构使得单个轴承就可以同时承受轴向载荷、径向载荷和倾覆力矩等各个方向的载荷,轴承具有很高的刚性、旋转精度以及复合承载能力;该类轴承外形紧凑,轴承自带有安装孔,便于客户直接安装,适合于各种不同类型的谐波减速机。